EQUIPMENTNon-Woven Roll Equipment

KVS (KRST Vacuum System)

제품 이미지

ROLL SHAFT 내의 진공압을 이용하는 KVS ROLL이 ROLL 표면의 용액을 흡수, 배출하도록 해주는 진공 펌프 시스템.

KVS 특장점

완벽한 용액 흡수 성능

  • 다공성 부직포로 제작되어 Water 흡수에 용의 (Water 완전한 제거로 후단 Dryer 설비 無)

우수한 내구성 및 수명

  • 저경도(HsA 55±5)로 제작되어 낮은 선압(1kgf/cm~6kgf/cm)에서 사용가능 (기존 Non-tex Roll에 비해 이물질에
    의한 손상 발생시 쉽게 복원됨)
  • 최대 1년간 연속사용 가능
  • 연마 후 재사용 가능 (기존 Non-tex Roll의 경우 연마 시 현저한 Wringer 성능 저하로 인해 연마 불가)

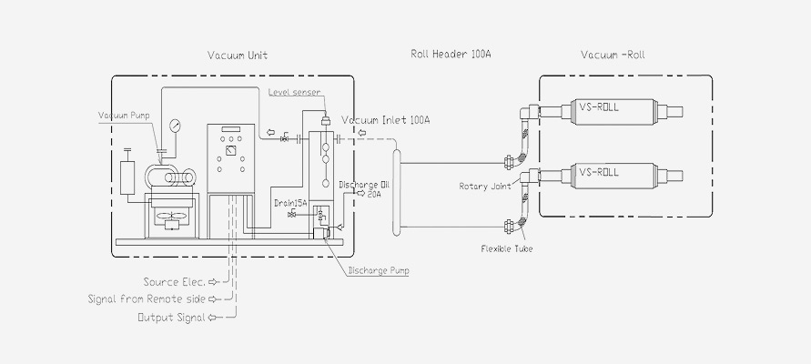
KVS 구조도

제품구조

진공흡입 Roll 및 System

공급실적 및 사용현황

  • 자동차 프레스 라인
  • 철강 생산 라인
  • 알루미늄 제조 연속라인

Centrifugal System

생산공정 라인에서 순환하는 Oil이나 액체류를 TANK에 모아 원심력을 통하여 품질 결함의 요인이 되는
불순물을 걸러낸 후 깨끗한 상태의 Oil이나 액체는 다시 재순환하여 사용하도록 하는 장치.

특장점

  • 공정라인에서 사용되는 Oil 또는 액체류의 불순물을 효과적이고 간편하게 제거
  • 설치시 필요 공간이 작고 조작이 간편
  • 투자비 대비 정량적 효과가 크다
  • 생산하는 제품의 품질 향상.

적용사례

  • 자동차생산 라인
제품구조

제품 상세 다운로드

문의하기

대한동방(KRST)의 제품과 서비스에 대해 궁금한 사항이 있으시면 언제든지 연락 주십시오.
문의나 상담을 원하시면 전화 또는 메일로 문의 부탁드립니다.

+82 [54] 762-8252 roll@krst.co.kr